Aluminum Extrusion

Our

Aluminum Extrusions Service

is known for its durability, lightweight properties, and corrosion resistance, making it widely used in industries such as construction, automotive, and consumer electronics. We customize dimensions, shapes, and material selections based on client specifications, ensuring your product requirements are precisely met.

Aluminum Extrusion Icon 1

Size

Aluminum Extrusion Icon 2

Shape

Aluminum Extrusion Icon 3

Materials

Aluminum Extrusion

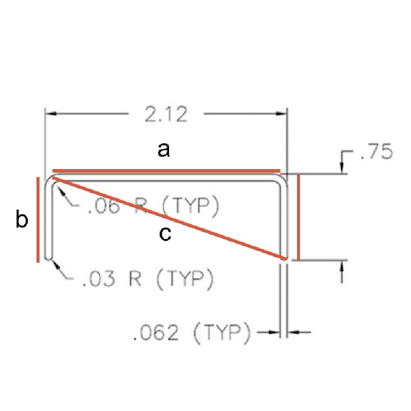
Aluminum extrusion size calculation standard

For the whole profile, the thicknessis supposed to be the same.
For example, it will be good if all thickness is 0.062 inch.


Using the Pythagorean theorem (a² + b² = c²), where a and b represent the widest and tallest dimensions of the extrusion profile, we can categorize the product sizes:

If c² < 16, it’s classified as a small-size product.
If 16 < c² < 49, it’s classified as a normal-size product.
If 49 < c², it’s classified as a large-size product.

The mold is everything for an extruded product. We still need to evaluate the thickness, hollow parts, etc.
For the thickness, thicker is better.
For the hollow parts, less is better.
For the overall situation, the solid profile is better than hollows.
If you insist a big size profile, and also request for thin thickness, you may get a higher price over than your imagination.

Aluminum Extrusion Shape

Our custom aluminum extrusion process offers tailored solutions with a variety of shapes to meet your specific needs. We provide round profiles for even force distribution, rectangular profiles for versatility and strength, solid profiles for maximum load-bearing capacity, and hollow profiles for lightweight durability.
Shape
Round
Shape
Customized Shape
Solid/Hollow
Solid
Solid/Hollow
Hollow

Aluminum Extrusion Materials

Q:What's the difference between aluminum 6063 T5, aluminum 6063 T6, and aluminum 6061 T6?

Aluminum 6063 T5 and aluminum 6063 T6 refer to different heat-treatment levels, affecting the material's hardness. For most applications, aluminum 6063 T5 is sufficient, while aluminum 6063 T6 provides greater hardness. However, for hollow products, using aluminum 6063 T6 may increase the risk of deformation.

For applications requiring higher strength, aluminum 6061 T6 is a better option due to its superior strength compared to aluminum 6063. However, it may result in a rougher surface finish, and if both strength and appearance are important, opting for aluminum 6061 could lead to higher costs.

To learn more about the differences between aluminum 6063 T5, 6063 T6, and 6061 T6, click here for a detailed explanation.

Video

CRAFTING THE MOST COST-EFFECTIVE OEM ALUMINUM EXTRUSION